Home > Products > AT8338C
AT8338C
Part Number Description Power supply voltage (V) Timing current (typical) Cross Reference Clock format Crystal CL (pF) Integrated crystal Temperature compensation Bckup power Trickle charge Alarm / Interrupt Square wave output (Hz) Clock calibration function Power down Oscillation stop detection User RAM (bytes) Working temperature range (℃) Pin/Package
AT8338C 1.7~5.5 0.50μA (3V) DS1338C HH:MM:SS 12.5 Programmable (open drain) 56 -40 to +85 SOP16L

概述

    AT8338串行实时时钟(RTC)是低功耗、全二-十进制码(BCD码)、带56字节非易失SRAM的时钟/日历芯片。地址与数据通过2线双向总线串行传送。时钟/日历可以提供秒、分、时、日、星期、月、年信息。对于少于31天的月份,到每月的最后一天会自动进行调节,包括闰年修正。该时钟可以通过AM/PM指示器工作在24小时模式或12小时模式。AT8338具有一个内部电源感应电路,可以检测到电源失效,并自动转换到备用电源。

使用领域

手持装置(GPS、POS机)

消费类电子(机顶盒,数字录音机、网络设施)

办公设备(传真机、打印机、复印机)

医疗(葡萄糖计、配药计)

电信(路由器、交换机、服务器)

其它(公用电表、售货机、温控装置、调制解调器)

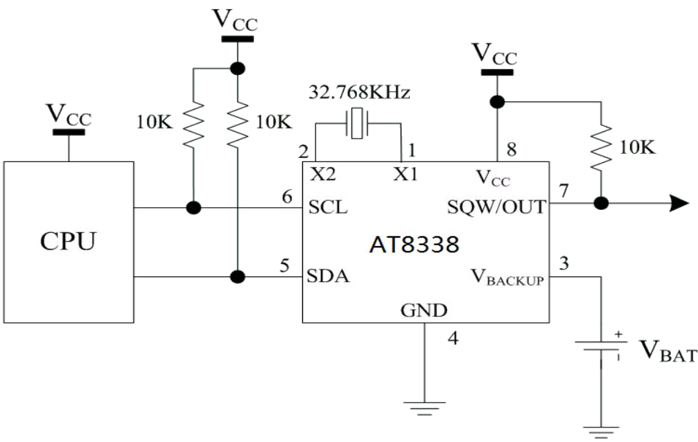
典型应用电路

QQ图片20200911135740.png




















特性

实时时钟(RTC)记录秒、分、时、星期、日、月、年信息,具有闰年补偿功能,可有效到2100年

I2C串行接口

2个日历闹钟

可编程方波输出信号

56字节备用电池NV RAM可为数据提供存储空间

软件时钟校准

振荡器停止标志

自动掉电检测和转换电路

引脚排列及功能可兼容DS1338C



Support:万广互联 Copyright © 2008-2020 Analog Tek Technology Co, Ltd 鄂ICP备20005446号-1