Home > Products > AT3221E
AT3221E
Part Number Description Cross Reference Vsupply (V) Tx Rx Data Rate (min) (kbps) Icc (typ) (mA) Internal Charge Pump RoHS Available Ext. Caps Cap. Value (nom) (µF) ESD Protect. (±kV) Rx Active in Shutdn Pin/Package
AT3221E ±15kV ESD-Protected, 1µA, 3.0V to 5.5V, 250kbps, RS-232 Transceiver with AutoShutdown MAX3221E 3.3 ,5 1 1 250 0.3 Yes Yes 4 0.1 15 1 SSOP16 QFN16 TSSOP16

Description   

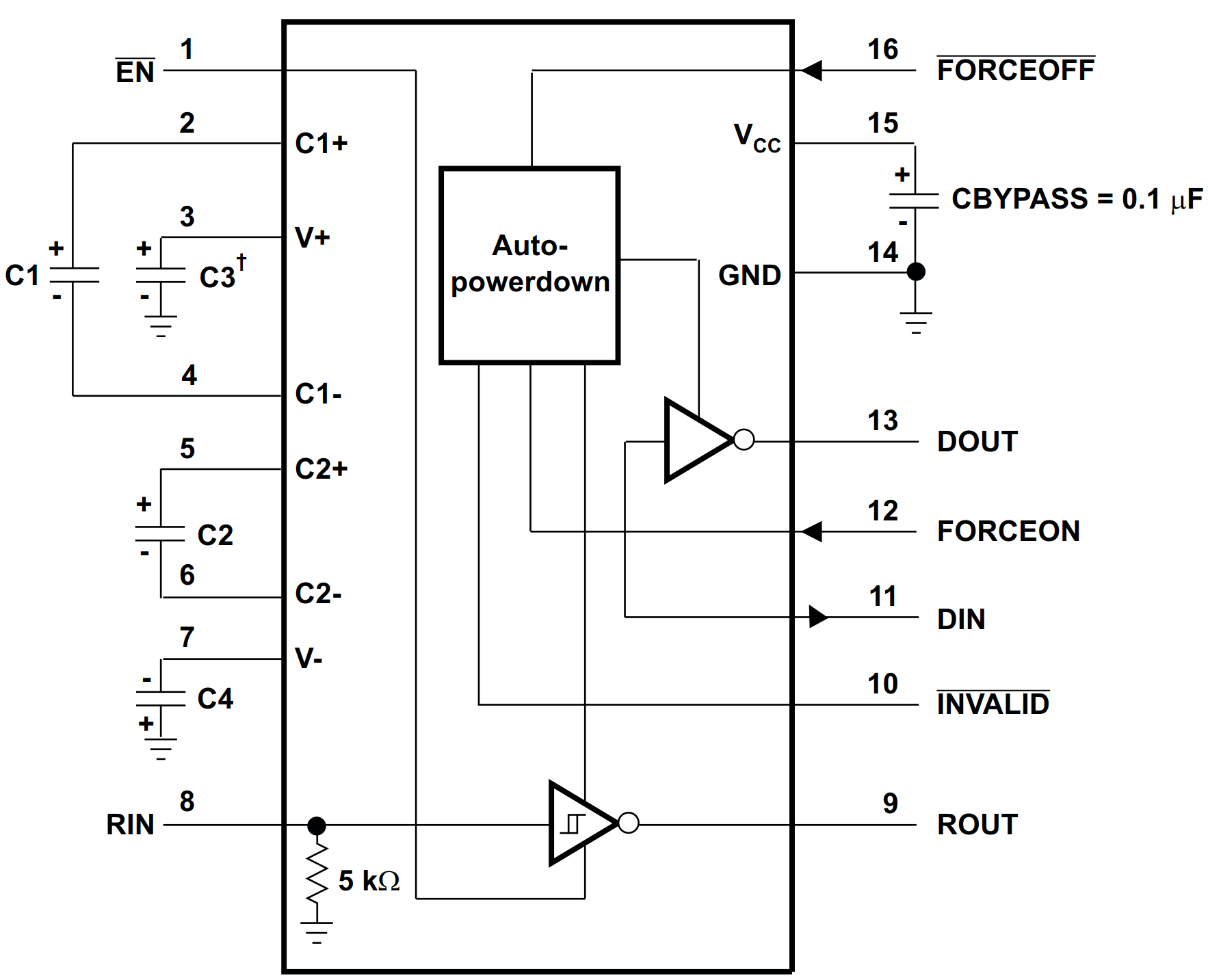
      The AT3221 consists of one line driver, one line receiver, and a dual charge-pump circuit with ±15-kV ESD protection pin to pin (serial-port connection pins, including GND). The device meets the requirements of TIA/EIA-232-F and provides the electrical interface between an asynchronous communication controller and the serial-port connector. The charge pump and four small external capacitors allow operation from a single 3-V to 5.5-V supply. These devices operate at data signaling rates up to 250 kbit/s and a maximum of 30-V/ms driver output slew rate.

Features

Controlled Baseline– One Assembly/Test Site, One Fabrication Site 

Extended Temperature Performance of –55°C to 125°C

Enhanced Diminishing Manufacturing Sources (DMS) Support 

Enhanced Product-Change Notification

Qualification Pedigree (1)

RS-232 Bus-Pin ESD Protection Exceeds±15 kV Using Human-Body Model (HBM) 

Meets or Exceeds the Requirements of TIA/EIA-232-F and ITU v.28 Standards

Operates With 3-V to 5.5-V VCC Supply 

Operates up to 250 kbit/s

One Driver and One Receiver

Low Standby Current . . . 1 mA Typical

External Capacitors . . . 4 ´ 0.1 mF

Accepts 5-V Logic Input With 3.3-V Supply 

Alternative High-Speed Pin-Compatible Device (1 Mbit/s)

Auto-Powerdown Feature Automatically Disables Drivers for Power Savings

Applications

Battery-Powered, Hand-Held, and Portable Equipment

PDAs and Palmtop PCs

Notebooks, Subnotebooks, and Laptops

Digital Cameras

Mobile Phones and Wireless Devices

APPLICATION INFORMATION

微信图片_20200520135026.png


Support:万广互联 Copyright © 2008-2020 Analog Tek Technology Co, Ltd 鄂ICP备20005446号-1