AT26LV31
Part Number Description VSUPPLY(V) ICC(mA)(mA) Data Rate (kbps) ESD Protect.(±KV) Tx EN Rx EN ICC (Shutdn)(μA) Cross Reference Tx/Rx Duplex Pin/Package
AT26LV31 ±15 kV ESD protected ,Low voltage high spees four way differential line driver 3.3 - 32000 15 Yes No - AM26LV31 4Tx Half

Description

    The AT26LV31E is a quadruple differential line driver with 3-state outputs. This driver has ±15-kV ESD (HBM and IEC61000-4-2, Air-Gap Discharge) and ±8-kV ESD (IEC61000-4-2, Contact Discharge) protection. This device is designed to meet TIA/EIA-422-B and ITU Recommendation V.11 drivers with reduced supply voltage.

    The device is optimized for balanced-bus transmission at switching rates up to 32 MHz. The outputs have high current capability for driving balanced lines, such as twisted-pair transmission lines, and provide a high impedance in the power-off condition.

    The AT26LV31EI is characterized for operation from –40°C to +85°C.

FEATURES

    Meets or Exceeds Standards TIA/EIA-422-B and ITU Recommendation V.11

    Operates From a Single 3.3-V Power Supply

    ESD Protection for RS422 Bus Pins

–  ±15-kV Human-Body Model (HBM)

–  ±8-kV IEC61000-4-2, Contact Discharge

–  ±15-kV IEC61000-4-2, Air-Gap Discharge

Switching Rates up to 32 MHz

    Propagation Delay Time . . . 8 ns Typ

    Pulse Skew Time . . . 500 ps Typ

    High Output-Drive Current . . . ±30 mA

    Controlled Rise and Fall Times . . . 5 ns Typ

    Differential Output Voltage With 100-Ω Load . . . 2.6 V Typ

    Accepts 5-V Logic Inputs With 3.3-V Supply

    Ioff  Supports Partial-Power-Down Mode Operation

    Driver Output Short-Protection Circuit

    Glitch-Free Power-Up/Power-Down Protection

APPLICATIONS

    Extended Product Life Cycle

    Extended Product-Change Notification

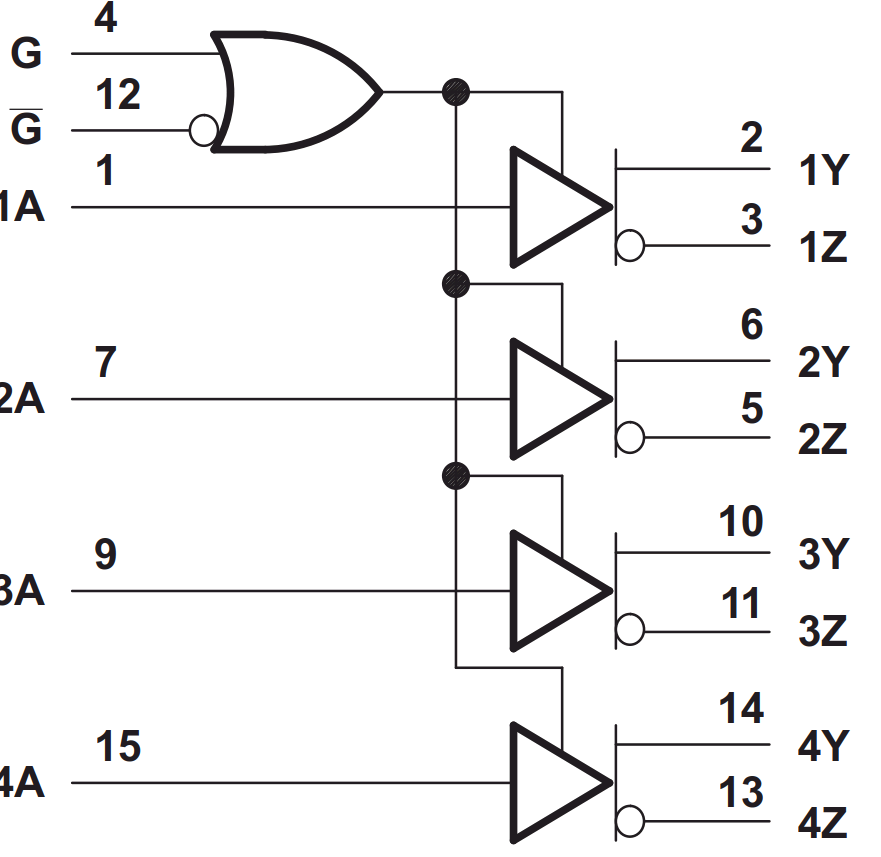
LOGIC DIAGRAM

QQ图片20200815180827.png






技术支持:万广互联 芯景AnalogTek-CLOCK|RTC|RS232|RS485|LVDS|I2C|多协议收发芯片|马达驱动芯片-武汉芯景科技有限公司WuHan AnalogTek Technology Co., Ltd. 鄂ICP备20005446号-1