首页
关于我们
芯景产品
质量
设计支持
应用方案
联系我们
样品申请
EN
芯景产品
传感器
I²C 温度传感器
红外传感器
时钟集成电路
晶体
RTC
PLL
单稳态多谐振荡器芯片
晶体振荡器
时钟缓冲器
接口
RS232
RS485 /RS422
多协议收发器
UART
CAN 和 LIN 收发器
LVDS, M-LVDS & PECL IC
I²C 型集成电路
I²C 型集成电路
I²C 接口扩展芯片
I²C 电平转换器、缓冲器和集线器
I²C 开关和多路复用器
具有中断逻辑和 rese 的 I²C 总线主选择器
马达驱动
马达驱动
ADC&DAC
ADC&DAC
电源管理
DBS
LED 显示驱动程序
LED驱动芯片
LED调光闪光芯片
MOSFET
电压监控器
电源开关
DC/DC
LDO
调节器芯片
单电池锂离子电池充电器
LNB
加密存储
加密芯片
LCD控制器
LCD控制器
音频放大器
音频放大器
小型逻辑系列
小型逻辑系列
开关和多路复用器
开关和多路复用器
EEPROM
SPI EEPROM
I²C 串行接口 EEPROM
首页
>
芯景产品
>
时钟集成电路
>
晶体
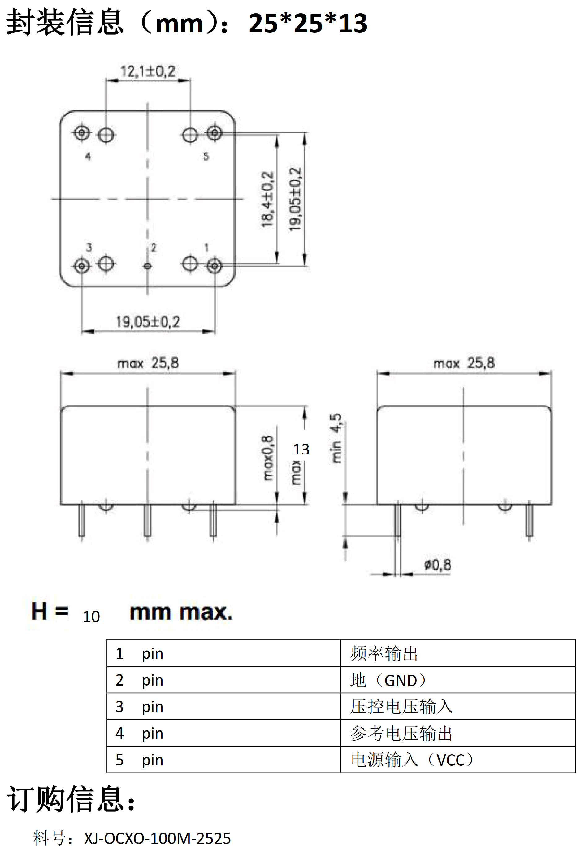
XJ-OCXO-100M-2525
Part Number
Description
Pin/Package
XJ-OCXO-100M-2525