AT3840
Part Number Description Data Rate(Max)(bps) status Vs Core(typ) Rating Vs I/O(typ) Interface Cross Reference Pin/Package
AT3840 2.7 G Prod 3.3 V Industry 3.3 V TTL NB4N840M/MAX3840/SY55859 QFN32

概述

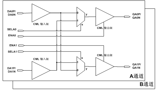
    AT3840是一款适用于SDH/SONETDWDM,千兆以太网等高速开关场合,带信号调节功能的双通道2x2交叉开关芯片。两个通道相互独立,支持的数据速率高达3.2Gbps。信号调节功能包括输入均衡器和输出预加重驱动器。芯片可以被配置成为1:2扇出缓冲器,1:1缓冲器,或者2x2交叉开关。

功能特点

    独立双通道2x2交叉开关

    全差分CML输入和输出

    每个数据通道均支持高达3.2Gbps的数据速率或者2.7GHz的时钟

    每个输入端口配有均衡器, 每个输出端口配有2级可调预加重驱动器

        Deterministic Jitter典型值为18ps p-p

        Random Jitter 典型值2psrms

    可以被配置成为1:2扇出缓冲器,1:1缓冲器,或者2x2交叉开关

    片上终端电阻匹配

    3.3V外部供电,1.2V内核供电(片上集成3.3V1.2V稳压器 

       QFN-32封装(完全兼容NB4N840MMAX3840SY55859L芯片) 

    工作温度范围:-40℃ ~ +85℃

        Pb-FreeROHS

功能框图

微信图片_20200615104159.png

应用范围

    低成本冗余开关

    SDH/SONET DWDM 

应用举例

微信图片_20200615104357.png



技术支持:万广互联 芯景AnalogTek-CLOCK|RTC|RS232|RS485|LVDS|I2C|多协议收发芯片|马达驱动芯片-武汉芯景科技有限公司WuHan AnalogTek Technology Co., Ltd. 鄂ICP备20005446号-1