AT3205
Part Number Description Cross Reference Supply voltage (V) Number of Rx Number of Tx Function Protocols status Rating Input signal Parallel bus width (bits) Signaling rate (Mbps) Pin/Package
AT3205 SN65MLVD205AD R 3.3V 1 1 Transceiver M-LVDS Prod Industry LVTTL, M-LVDS - 100 SOIC14

概述

AT3205是一款多点低压差分信号(MLVDS)收发器芯片,工作速率可达100Mbps。芯片使用单电压的3.3V供电,内置一个差分发送器和一个接收器。芯片遵循MLVDS标准协议TIA/EIA-899,发送器可驱动负载较大的背板,这些背板的阻抗可以低到30Ω,同时采用适当的翻转速率,减小信号反射以更适合背板传输。

发送器接收单端的TTL电平,输出多点低压差分信号(MLVDS)。MLVDS可进行高速、低功耗的传输,以减小电磁干扰。

接收器接收MLVDS电平,输出单端CMOS/TTL电平。接收器输入共模范围可从-1V到3.4V,接收阈值有典型值为+100mV的偏移(offset),在总线输入开路、闲置等特殊情况下,可确保输出为固定态。

功能特点   

    低压差分30Ω到55Ω发送器和接收器

    100Mbps以上的传输速率

    接收器阈值+100mV的偏移,以适用总线开路、闲置等特殊情况

    遵循MLVDS协议TIA/EIA-899

    上电、掉电及关闭发送器时输出无误翻转

    适合的发送器翻转速率以确保信号完整性

    3.3V单电源供电

    -1到3.4V接收器共模范围,可用于含2V地噪声的数据传输

    收发器关闭或电源低于1.5V时,总线为高阻态

    低功耗CMOS设计

    -14 PIN SOIC (SOP)封装

    工作温度范围:−40℃ ~ +85℃

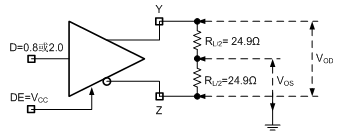
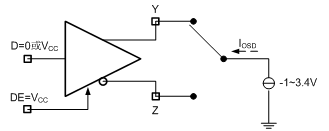
测试电路和测试点

微信图片_20200615114902.png










                   发送器直流测试电路图

微信图片_20200615114905.png









             发送器输出短路电流测试电路图

应用场景

    作为RS485的低功耗高速短距离替代方案;

    背板或线缆的多点数据或时钟传输;

    蜂窝基站;

    网络交换机和路由器;




技术支持:万广互联 芯景AnalogTek-CLOCK|RTC|RS232|RS485|LVDS|I2C|多协议收发芯片|马达驱动芯片-武汉芯景科技有限公司WuHan AnalogTek Technology Co., Ltd. 鄂ICP备20005446号-1