AT4307
Part Number Description status Operation Temp (℃) Supply current(mA) Frequency (Max) (kHz) VCCA (Min) (V) VCCA (Max) (V) Rating Cross Refeence Pin/Package
AT4307 Prod ﹣30~﹢70 8 600 2.3 5.5 Industry LTC4307CMS8/TCA4311ADGKR DFN8、MSOP8

描述

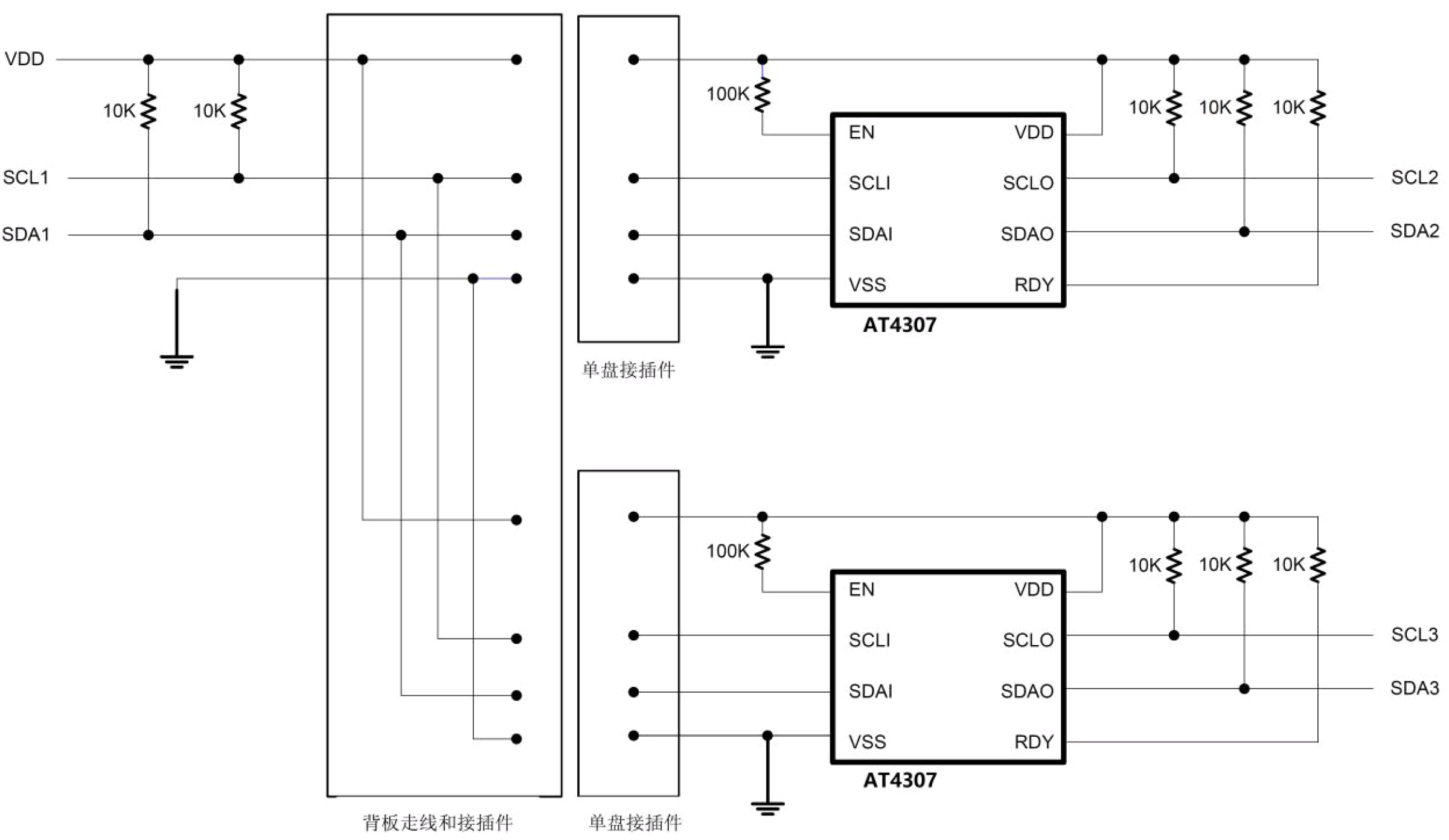
AT4307是一款适用于热插拔总线背板驱动和中继的两线总线缓冲器芯片。

功能特点

    SDA和SCL总线双向缓冲器,输入与输出隔离

    SDA和SCL总线预充电电压1V,可防止热插拔时破坏总线

    支持I2C标准模式和快速模式

    检测和解除总线阻塞

    具有ENABLE控制和READY输出

    工作电压范围:2.3V~5.5V

    MSOP-8封装(完全兼容TCA4311A,LTC4307) 

    工作温度范围:-40℃ ~ +85℃

    Pb-Free,ROHS

应用范围

    服务器,路由器,基站,工业自动化

    热插拔总线,背板驱动,总线中继

    I2C,SMBus

微信图片_20200617111448.png













应用举例

QQ图片20200914132708.png





技术支持:万广互联 芯景AnalogTek-CLOCK|RTC|RS232|RS485|LVDS|I2C|多协议收发芯片|马达驱动芯片-武汉芯景科技有限公司WuHan AnalogTek Technology Co., Ltd. 鄂ICP备20005446号-1