AT3040
Part Number Description Number of Tx Function Protocols Cross Reference status Rating Input signal Parallel bus width (bits) Signaling rate (Mbps) Supply voltage (V) Number of Rx Pin/Package
AT3040 4 Transceiver M-LVDS SN65MLVD040RGZR Prod Industry LVTTL, M-LVDS - 250 3.3V 4 QFN48

概述

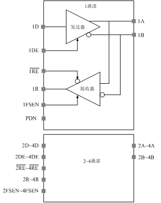
AT3040是一款四通道半双工多点低压差分信号(MLVDS)收发器芯片,工作速率可达250Mbps。芯片使用单电压的3.3V供电,每通道内置一个差分发送器和一个接收器。芯片遵循MLVDS标准协议TIA/EIA-899,发送器可驱动负载较大的背板,这些背板的阻抗可以低到30Ω,同时采用适当的翻转速率,减小信号反射以更适合背板传输。

发送器接收单端的TTL电平,输出多点低压差分信号(MLVDS)。MLVDS可进行高速、低功耗的传输,以减小电磁干扰。

接收器接收MLVDS电平,输出单端CMOS/TTL电平输入共模范围可从-1V3.4VMLVDS协议规定了两种接收器类型,I类接收阈值为0,带25mV迟滞,没有输入信号时确保输出不会误翻转;II类接收阈值有典型值为+100mV的偏移(offset),在总线输入开路、闲置等特殊情况下,可确保输出为固定态;xFSEN管脚用来选择每个通道接收器类型。接收器输出也采用的适当的翻转速率,以减小EMI效应和串扰。

功能特点

    低压差分30Ω到55Ω发送器和接收器

    250Mbps传输速率

    每个发送器和接收器均有独立的使能控制

    遵循MLVDS协议TIA/EIA-899

    上电、掉电及关闭发送器时输出无误翻转

    适合的发送器翻转速率以确保信号完整性

    3.3V单电源供电

    -1到3.4V接收器共模范围,可用于含2V地噪声的数据传输

    收发器关闭或电源低于1.5V时,总线为高阻态

    低功耗CMOS设计

    48 PIN QFN封装

    工作温度范围:−40 ~ +85

框图

微信图片_20200616165804.png


















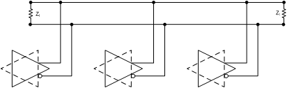
应用示例图

微信图片_20200616165856.png

微信图片_20200616170005.png

技术支持:万广互联 芯景AnalogTek-CLOCK|RTC|RS232|RS485|LVDS|I2C|多协议收发芯片|马达驱动芯片-武汉芯景科技有限公司WuHan AnalogTek Technology Co., Ltd. 鄂ICP备20005446号-1