AT14783E
Part Number Description ICC(mA)(mA) Data Rate (kbps) ESD Protect.(±KV) Tx EN Rx EN Cross Reference Tx/Rx Duplex VSUPPLY(V) Pin/Package
AT14783E ±15kV ESD-Protected, Fail-Safe, Hot-Swap, Half-Duplex, 40Mbps RS-485/RS-422 Transceivers 0.9 40000 15 Yes Yes MAX14783E 1Tx + 1Rx Half 3.3-5

Description

    The AT14783E is a half-duplex RS-485/422 transceiver that operates at either 3.3V or 5V rails with high ±35kV ESD performance and up to 42Mbps data rate. The device is optimized for high speeds over extended cable runs while  tolerance to noise.

    The AT14783E is available in 8-pin , 8-pin SO, and 8-pin TDFN-EP packages. 

Applications

    Motion Controllers 

    Field Bus Networks

    Encoder Interfaces 

    Backplane Busses

Benefits and Features

    Integrated Protection Increases Robustness

    High ESD Protection

    ±35kV HBM ESD per JEDEC JS-001-2012 ±20kV Air Gap per IEC 61000-4-2

    ±12kV Contact ESD per IEC 61000-4-2

    Short-Circuit Protected Outputs

    True Fail-Safe Receiver Prevents False Transition on Receiver Input Short or Open Events

    Hot-Swap Capability Eliminates False Transitions

    During Power-Up or Hot Insertion

    3V to 5.5V Supply Voltage Range

    High-Speed Data Rates up to 42Mbps

    Allows Up to 32 Transceivers on the Bus

    Low 10µA Shutdown Current for Lower Power  Consumption

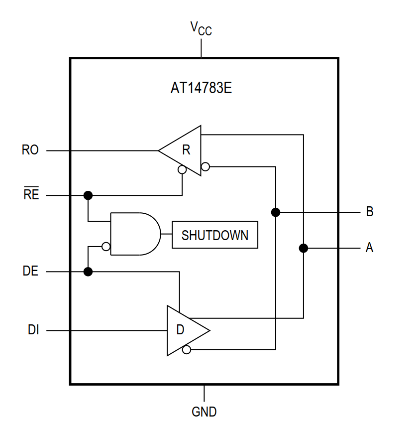
Functional Diagram

image.png


.



技术支持:万广互联 芯景AnalogTek-CLOCK|RTC|RS232|RS485|LVDS|I2C|多协议收发芯片|马达驱动芯片-武汉芯景科技有限公司WuHan AnalogTek Technology Co., Ltd. 鄂ICP备20005446号-1