AT9509
Part Number Description Rating Cross Refeence Status Features Frequency (Max) (kHz) VCCA (Min) (V) VCCA (Max) (V) VCCB (Min) (V) VCCB (Max) (V) Supply restrictions Pin/Package
AT9509 Industry PCA9509 2019Q4 Buffer, Enable Pin 400 0.9 5.5 2.7 5.5 VCCA <= (VCCB-1) MSOP8 SOP8

Description

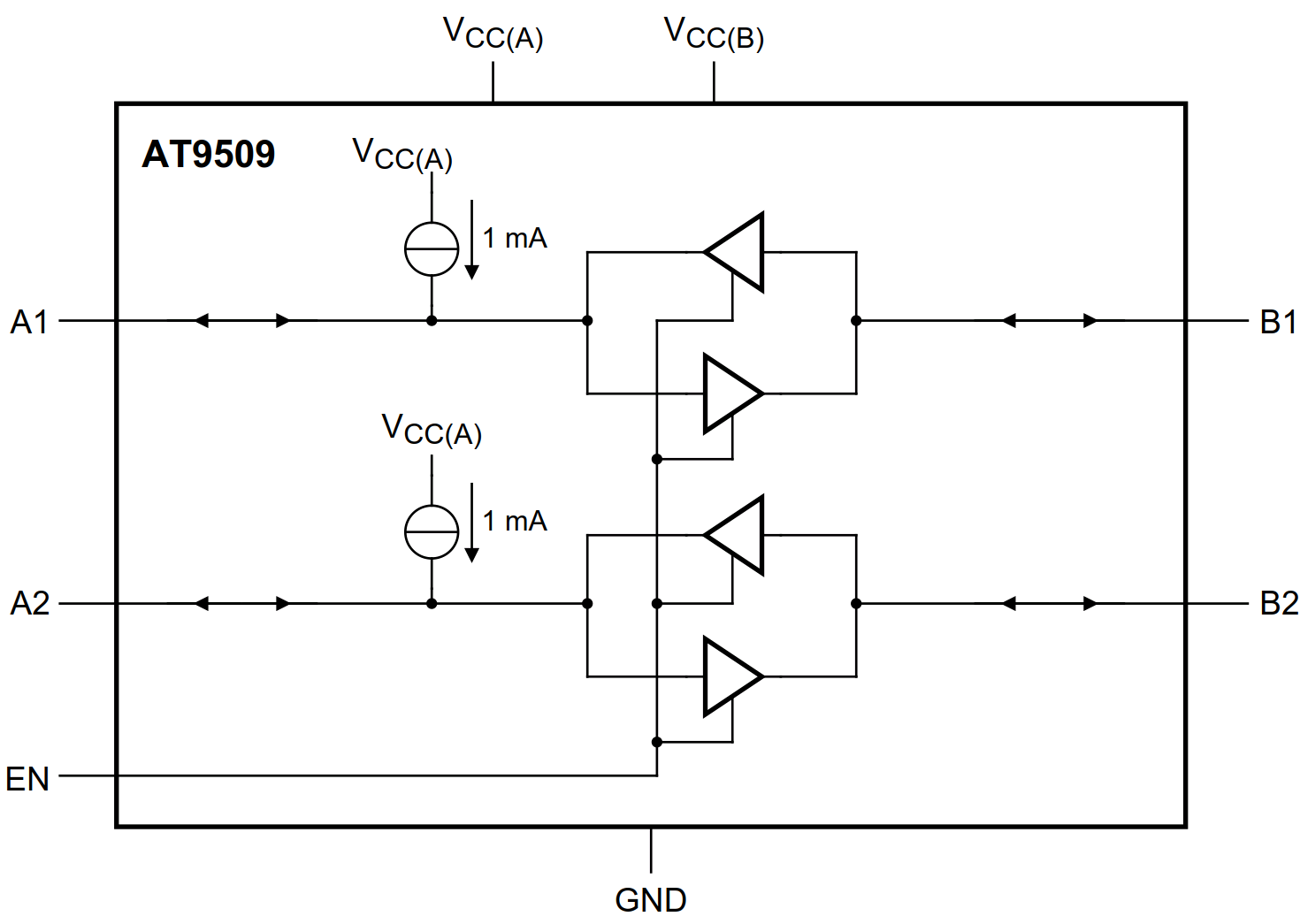
    bus to interface with standard I2C-bus or SMBus I/O. While retaining all the operating modes and features of the I2C-bus system during the level shifts, it also permits extension of the I2C-bus by providing bidirectional buffering for both the data (SDA) and the clock (SCL) lines, thus enabling the I2C-bus or SMBus maximum capacitance of 400 pF on the higher voltage side. Port A allows a voltage range from 1.35 V to VCC(B) - 1.0 V and requires no external pull-up resistors due to the internal current source. Port B allows a voltage range from 3.0 V to 5.5 V and is overvoltage tolerant. Both port A and port B SDA and SCL pins are high-impedance when the AT9509 is unpowered

    For applications where Port A VCC(A)is less than 1.35 V or Port B VCC(B) is less than 3.0 V, use drop-in replacement AT9509A.

    The bus port B drivers are compliant with SMBus I/O levels, while port A uses a current sensing mechanism to detect the input or output LOW signal which prevents bus lock-up. Port A uses a 1 mA current source for pull-up and a 200W pull-down driver. This results in a LOW on the port A accommodating smaller voltage swings. The output pull-down on the port A internal buffer LOW is set for approximately 0.2 V, while the input threshold of the internal buffer is set about 50 mV lower than that of the output voltage LOW. When the port A I/O is driven LOW internally, the LOW is not recognized as a LOW by the input. This prevents a lock-up condition from occurring. The output pull-down on the port B drives a hard LOW and the input level is set at 0.3 of SMBus or I2C-bus voltage level which enables port B to connect to any other I2C-bus devices or buffer.

    The AT9509 drivers are not enabled unless VCC(A) is above 0.8 V and VCC(B) is above 2.5 V. The enable (EN) pin can also be used to turn on and turn off the drivers under system control. Caution should be observed to change only the state of the EN pin when the bus is idle.

Features

    Bidirectional buffer isolates capacitance and allows 400 pF on port B of the device

    Voltage level translation from port A (1.35 V to VCC(B) - 1.0 V) to port B (3.0 V to 5.5 V)

    Requires no external pull-up resistors on lower voltage port A

    Active HIGH repeater enable input

    Open-drain inputs/outputs

    Lock-up free operation 

    Supports arbitration and clock stretching across the repeater

    Accommodates Standard-mode and Fast-mode  I2C-bus devices and multiple masters

    Powered-off high-impedance I2C-bus pins

    Operating supply voltage range of 1.35 V to VCC(B)  - 1.0 V on port A, 3.0 V to 5.5 V on port B

    5 V tolerant port B SCL, SDA and enable pins

    0 Hz to 400 kHz clock frequency 

    ESD protection exceeds 2000 V HBM per JESD22-A114 and 1000 V CDM per JESD22-C101

    Latch-up testing is done to JEDEC Standard JESD78 which exceeds 100 mA

    Packages offered: TSSOP8, SO8, XQFN8

Functional diagram

QQ图片20201020142431.png

技术支持:万广互联 芯景AnalogTek-CLOCK|RTC|RS232|RS485|LVDS|I2C|多协议收发芯片|马达驱动芯片-武汉芯景科技有限公司WuHan AnalogTek Technology Co., Ltd. 鄂ICP备20005446号-1