AT24C32
Part Number Description Architecture Voltage (V) Operating Frequency (Khz) Status Capacity WRITE SPEED (ms) Operating temperature Pin/Package
AT24C32 4096*8 1.7~5.5 1000 Mass production 32k 5 -40~85 DIP8/SOP8/TSSOP8/UDFN/SOT23-5/CSP

DESCRITION

    The AT24C32A/64A provides 32,768/65,536 bits of serial electrically erasable and programmable read only memory (EEPROM) organized as 4096/8192 words of 8 bits each. The device’s cascadable feature allows up to 8 devices to share a common two-wire bus. The device is optimized for use in many automotive applications where low power and low voltage operation are essential. The AT24C32A/64A is available in space saving 8-lead JEDEC SOIC and 8-lead TSSOP packages and is accessed via a 2-wire serial interface and is available in a 2.7V (2.7V to 5.5V) version.

Features

    Standard-Voltage Operation

    – 2.7 (VCC = 2.7V to 5.5V)

    Internally Organized 4096 x 8 (32K), 8192 x 8 (64K)

    Two-wire Serial Interface

    Schmitt Trigger, Filtered Inputs for Noise Suppression

    Bidirectional Data Transfer Protocol

    400 kHz Clock Rate

    Write Protect Pin for Hardware Data Protection

    32-byte Page Write Mode (Partial Page Writes Allowed)

    Self-timed Write Cycle (5 ms Max)

    High Reliability

    – Endurance: 1 Million Write Cycles

    – Data Retention: 100 Years

    Lead-free/Halogen-free Devices Available

    8-lead JEDEC SOIC and 8-lead TSSOP Packages

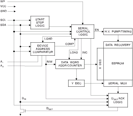
Block Diagram

QQ图片20201203112131.png


技术支持:万广互联 芯景AnalogTek-CLOCK|RTC|RS232|RS485|LVDS|I2C|多协议收发芯片|马达驱动芯片-武汉芯景科技有限公司WuHan AnalogTek Technology Co., Ltd. 鄂ICP备20005446号-1