AT24C08
Part Number Description Capacity Architecture Voltage (V) Operating Frequency (Khz) WRITE SPEED (ms) Operating temperature Status Pin/Package
AT24C08 8k 1024*8 1.7~5.5 1000 5 -40~85 Mass production DIP8/SOP8/TSSOP8/UDFN/SOT23-5/CSP

DESCRITION

    The AT24C02/AT24C04/AT24C08/AT24C16 provides 2048/4096/8192/16384 bits of serial electrically erasable and programmable read-only memory (EEPROM) organized as 256/512/1024/2048 words of 8 bits each. The device is optimized for use in many industrial and commercial applications where low-power and low-voltage operation are essential. The AT24C02/AT24C04/AT24C08/AT24C16 is available in space-saving 8-lead PDIP, 8-lead SOP, 8-lead MSOP, 8-lead TSSOP, 8-pad DFN, and SOT23-5 packages and is accessed via a two-wire serial interface.

Features

    Low-voltage and Standard-voltage Operation

    – 2.7 (VCC = 2.7V to 5.5V)

    – 1.8 (VCC = 1.8V to 5.5V)

    Internally Organized 128 x 8 (1K), 256 x 8 (2K), 512 x 8 (4K), 1024 x 8 (8K) or 2048 x 8 (16K)

    Two-wire Serial Interface

    Schmitt Trigger, Filtered Inputs for Noise Suppression

    Bidirectional Data Transfer Protocol

    100 kHz (1.8V) and 400 kHz (2.7V, 5V) Compatibility

    Write Protect Pin for Hardware Data Protection

     8-byte Page (1K, 2K), 16-byte Page (4K, 8K, 16K) Write Modes

    Partial Page Writes Allowed

    Self-timed Write Cycle (5 ms max)

    High-reliability

    – Endurance: 1 Million Write Cycles

    – Data Retention: 100 Years

    Automotive Devices Available

    8-lead JEDEC PDIP, 8-lead JEDEC SOIC, 8-lead Ultra Thin Mini-MAP (MLP 2x3), 5-lead SOT23, 8-lead TSSOP and 8-ball dBGA2 Packages

    Die Sales: Wafer Form, Waffle Pack and Bumped Wafers

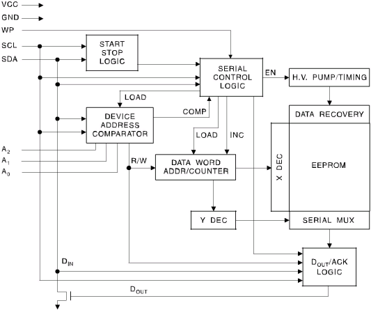
Block Diagram

QQ图片20201203110052.png


技术支持:万广互联 芯景AnalogTek-CLOCK|RTC|RS232|RS485|LVDS|I2C|多协议收发芯片|马达驱动芯片-武汉芯景科技有限公司WuHan AnalogTek Technology Co., Ltd. 鄂ICP备20005446号-1