AT3490E
Part Number Description Rx Failsafe w/Inputs Slew Rate Limiting Cross Reference Tx/Rx Duplex VSUPPLY(V) ICC(mA)(mA) Data Rate (kbps) ESD Protect.(±KV) Tx EN Rx EN ICC (Shutdn)(μA) Rx/Tx on Bus Pin/Package
AT3490E 3.3V, 12Mbps, True RS-485/RS-422 Transceiver with ±15kV ESD Protection Open No MAX3490E 1Tx + 1Rx Full 3.3 1 12000 15 No No - 32 DIP8,SOP8

Description

    The AT3483E, AT3485, AT3486, AT3488,AT3490E, and AT3491E are 3.3V, low-power trans- ceivers for RS-485 and RS-422 communication. Each part contains one driver and one receiver. The AT3483E and AT3488 feature slew-rate-limited dri- vers that minimize EMI and reduce reflections caused by improperly terminated cables, allowing error-free data transmission at data rates up to 250kbps. The par- tially slew-rate-limited AT3486 transmits up to 2.5Mbps. The AT3485, AT3490E, and AT3491E transmit at up to 10Mbps.

   Drivers are short-circuit current limited and are protect- ed against excessive power dissipation by thermal shutdown circuitry that places the driver outputs into a high-impedance state. The receiver input has a fail-safe feature that guarantees a logichigh output if both inputs are open circuit.The AT3488, AT3490E, and AT3491E feature full- duplex communication, while the AT3483E, AT3485, and AT3486 are designed for half-duplex communi- cation.

Features
    Operate from a Single 3.3V Supply— No Charge Pump!
    Interoperable with +5V Logic
    8ns Max Skew (AT3485/AT3490E/AT3491E)
    Slew-Rate Limited for Errorless Data Transmission (AT3483E/AT3488)
    2nA Low-Current Shutdown Mode (AT3483E/AT3485E/AT3486/AT3491E)
    -7V to +12V Common-Mode Input Voltage Range
    Allows up to 32 Transceivers on the Bus
    Full-Duplex and Half-Duplex Versions Available
    Industry Standard 75176 Pinout (AT3483E/AT3485E/AT3486)
    Current-Limiting and Thermal Shutdown for Driver Overload Protection
Applications
    Low-Power RS-485/RS-422 Transceivers Telecommunications
    Transceivers for EMI-Sensitive Applications Industrial-Control Local Area Networks

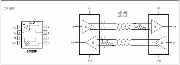
Typical Operating Circuit

微信图片_20200616114819.png


技术支持:万广互联 芯景AnalogTek-CLOCK|RTC|RS232|RS485|LVDS|I2C|多协议收发芯片|马达驱动芯片-武汉芯景科技有限公司WuHan AnalogTek Technology Co., Ltd. 鄂ICP备20005446号-1