AT1487E
Part Number Description ESD Protect.(±KV) Tx EN Rx EN ICC (Shutdn)(μA) Rx/Tx on Bus Rx Failsafe w/Inputs Slew Rate Limiting Cross Reference Tx/Rx Duplex VSUPPLY(V) ICC(mA)(mA) Data Rate (kbps) Pin/Package
AT1487E 1/4-Unit Load, Half-Duplex RS-485/RS-422 Transceiver - Yes Yes - 128 Open No MAX1487E/SP1487E 1Tx + 1Rx Half 5 0.3 2500 DIP8,SOP8

Description

   The AT481, AT483, AT485, AT487–AT491, and AT1487 are low-power transceivers for RS-485 and RS-422 communication. Each part contains one driver and one receiver. The AT483, AT487, AT488, and AT489 feature reduced slew-rate drivers that minimize EMI and reduce reflections caused by improperly terminated cables, thus allowing error-free data transmission up to 250kbps. The driver slew rates of the AT481, AT485, AT490, AT491, and AT1487 are not limited, allowing them to transmit up to 2.5Mbps.

   These transceivers draw between 120μA and 500μA of supply current when unloaded or fully loaded with disableddrivers. Additionally, the AT481, AT483, and AT487 have a low-current shutdown mode in which they consume only 0.1μA. All parts operate from a single 5V supply.

    Drivers are short-circuit current limited and are protected against excessive power dissipation by thermal shutdown circuitry that places the driver outputs into a high-impedance state. The receiver input has a fail-safe feature that guarantees a logic-high output if the input is open circuit.

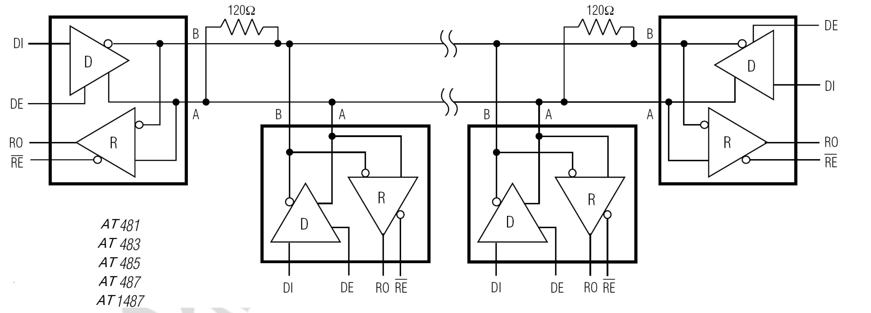
   The AT487 and AT1487 feature quarter-unit-load receiver input impedance, allowing up to 128 AT487/AT1487 transceivers on the bus. Full-duplex communications are obtained using the AT488–AT491, while the AT481, AT483, AT485, AT487, and AT1487,are designed for half-duplex applications.

±15kV ESD-Protected

Applications

    Low-Power RS-485 Transceivers

    Low-Power RS-422 Transceivers

    Level Translators

    Transceivers for EMI-Sensitive Applications

    Industrial-Control Local Area Networks

Typical Operating Circuit

微信图片_20200520160734.png


技术支持:万广互联 芯景AnalogTek-CLOCK|RTC|RS232|RS485|LVDS|I2C|多协议收发芯片|马达驱动芯片-武汉芯景科技有限公司WuHan AnalogTek Technology Co., Ltd. 鄂ICP备20005446号-1