AT3078E
Part Number Description Tx/Rx Duplex VSUPPLY(V) ICC(mA)(mA) Data Rate (kbps) ESD Protect.(±KV) Tx EN Rx EN ICC (Shutdn)(μA) Rx/Tx on Bus Rx Failsafe w/Inputs Slew Rate Limiting Cross Reference Pin/Package
AT3078E 3.3V, ±15kV ESD-Protected, Fail-Safe, Hot- Swap, Half-Duplex, 16Mbps RS-485/RS-422 1Tx + 1Rx Half 3.3 0.8 16000 15 Yes Yes 0.05 256 Open or Shorted No MAX3078E DIP8,SOP8

Description

     The AT3070E–AT3079E 3.3V, ±15kV ESD-protected, RS-485/RS-422 transceivers feature one driver and one receiver. These devices include fail-safe circuitry, guaranteeing a logic-high receiver output when receiver inputs are open or shorted. The receiver outputs a logic-high if all transmitters on a terminated bus are disabled (high impedance). The devices include a hot-swap capability to eliminate false transitions on the bus during power-up or hot insertion. The AT3070E/AT3071E/AT3072E feature reduced slew-rate drivers that minimize EMI and reduce reflections caused by improperly terminated cables, allowing error-free data transmission up to 250kbps.

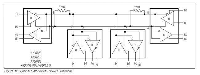
    The AT3072E/AT3075E/AT3078E are intended for half-duplex communications, The AT3070E–AT3079E transceivers draw 800μA of supply current when unloaded, or when fully loaded with the drivers disabled. All devices have a 1/8-unit load receiver input impedance, allowing up to 256 transceivers on the bus.

Features

    Protection for Robust Performance

    ±15kV Human Body Model ESD on I/O Pins

    True Fail-Safe Receiver While Maintaining EIA/TIA-485 Compatibility

    Hot-Swap Input Structure on DE and RE

    Flexible Feature Set for Ease of Design

    Allows up to 256 Transceivers on the Bus

    Available in Industry-Standard SO and DIP packages

    10µA Shutdown Current Mode for Power Savings 

Applications

    Lighting Systems

    Industrial Control

    Telecom

    Security Systems

    Instrumentation

Typical Haif-Duplex RS-485 Network

微信图片_20200616141531.png


技术支持:万广互联 芯景AnalogTek-CLOCK|RTC|RS232|RS485|LVDS|I2C|多协议收发芯片|马达驱动芯片-武汉芯景科技有限公司WuHan AnalogTek Technology Co., Ltd. 鄂ICP备20005446号-1