DESCRIPTION
The AT3485 device is a +3.3V low power half-duplex transceiver that meets the specifications of the RS-485 and RS-422 serial protocols. This device is pin-to-pin compatible with the AnalogTek AT1487E AT485E and AT3085E devices as well as popular industry standards. The AT3485 features the BiCMOS process, allowing low power operation without sacrificing performance. The AT3485 can meet the electrical specifications of the RS-485 and RS-422 serial protocols up to 1.0Mbps under load.
FEATURES
RS-485 and RS-422 Transceiver
Operates from a single +3.3V Supply
Interoperable with +5.0V logic
Driver/Receiver Enable
-7V to +12V Common-Mode Input Voltage Range
Allows up to 32 transceivers on the serial bus
Compatibility with industry standard 75176 pinout
Driver Output Short-Circuit Protection
±15kV ESD-Protected
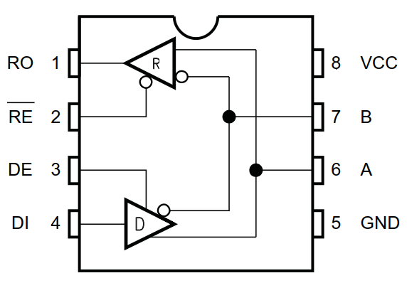
PIN FUNCTION

NUM | PIN | DESCRIPTION |
1 | RO | Receiver output |
2 | RE | Receiver Output Enable Active LOW |
3 | DE | Driver Output Enable Active HIG |
4 | DI | Driver Input |
5 | GND | Ground Connectio |
6 | A | Non-Inverting Driver Output/Receiver Input |
7 | B | Inverting Driver Output/Receiver Inpu |
8 | GND | Positive Supply |