AT202E/AT232E
Part Number Description Vsupply (V) Tx Rx Data Rate (min) (kbps) Icc (typ) (mA) Internal Charge Pump Ext. Caps Cap. Value (nom) (µF) ESD Protect. (±kV) Rx Active in Shutdn RoHS Available Cross Reference Pin/Package
AT202E/AT232E 5V, Dual RS-232 Transceiver with 0.1µF External Capacitors 2/2 5 0.3 250 15 Yes 4 0.1 15 0 Yes MAX3232E DIP16 SOP16 TSSOP16 SSOP16

Description

    The AT202E, AT232E and AT233E devices are a family of line driver and receiver pairs that meets the specifications of RS-232 and V.28 serial protocols. The devices are pin-to-pin compatible with Analogtek’s AT232A and AT233A devices as well as popular industry standard pinouts. The ESD tolerance has been improved on these devices to over ±15kV for Human Body Model. This series offers a 120kbps data rate under load, small ceramic type 0.1µF charge pump capacitors and overall ruggedness for commercial applications. Features include Analogtek’s BiCMOS design which allows low power operation without sacrificing performance. The series is available in lead free packages and includes commercial and industrial temperature ranges.

Features 

    Operates from a single +5V power supply

    Meets all RS-232D and ITU V.28 specifications

    Operates with 0.1µF to 10µF ceramic capacitors

    No external capacitors required (AT233E)

    High data rate - 120kbps under load

    Low power CMOS operation

    Lead-free packaging

    Improved ESD specifications: ±15kV Human Body Model 

Electrical Characteristics

    VCC = 5V ± 10%, 0.1µF charge pump capacitors, TMIN to TMAX, unless otherwise noted. Typical values are VCC = 5V and TA = 25°C

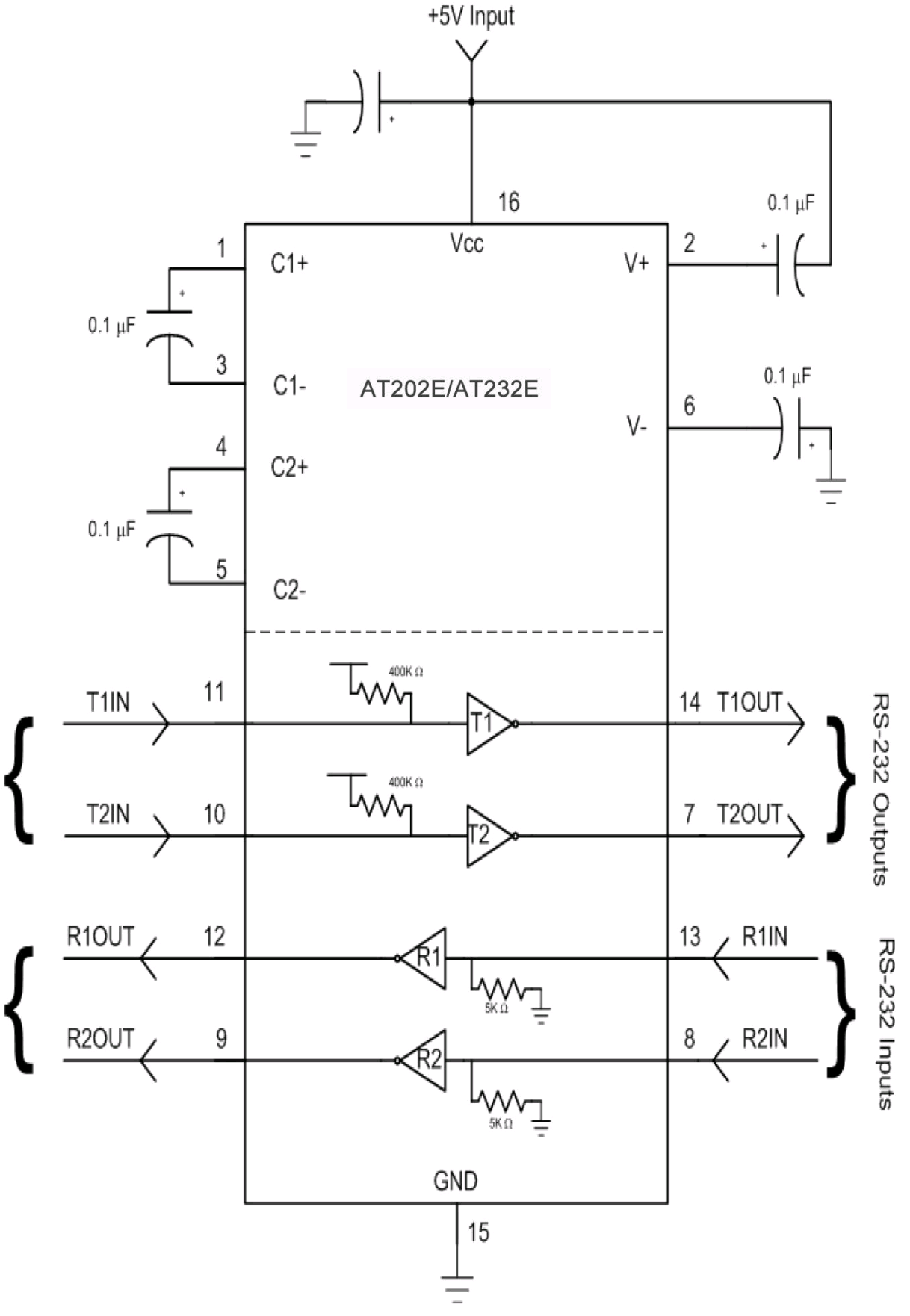
Typical Application Circuit

202E.png








技术支持:万广互联 芯景AnalogTek-CLOCK|RTC|RS232|RS485|LVDS|I2C|多协议收发芯片|马达驱动芯片-武汉芯景科技有限公司WuHan AnalogTek Technology Co., Ltd. 鄂ICP备20005446号-1