描述
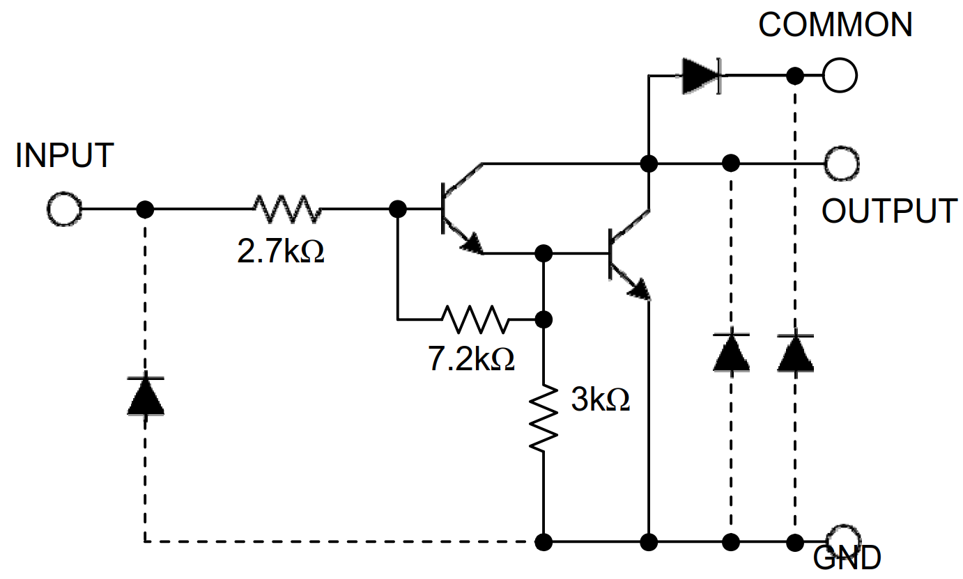
AnalogTek ULN2803是高压,大电流达林顿驱动器,由八对NPN达林顿构成。
特征
输出电流(单路输出)最大500mA。
高维持电压输出50V MIN。
输出钳位二极管
输入兼容各种类型的逻辑
订购信息
Ordering Number | Package | Packing |
Normal | Lead Free | Halogen Free |
ULN2803-D18-T | ULN2803L-D18-T | ULN2803G-D18-T | DIP-18 | Tube |
ULN2803-S18-R | ULN2803L-S18-R | ULN2803G-S18-R | SOP-18 | Tape Reel |
ULN2803-S18-T | ULN2803L-S18-T | ULN2803G-S18-T | SOP-18 | Tube |
方案(每个驱动程序)
