AT9531
Part Number Description The LED channel number A hardware reset I/O output current (mA) Total current I2C rate (KHz) Status Type Cross Reference Pin/Package
AT9531 8 Support 25 100 400 Mass production Dimmers PCA9531/ LP3944 TSSOP16 SOP16

描述

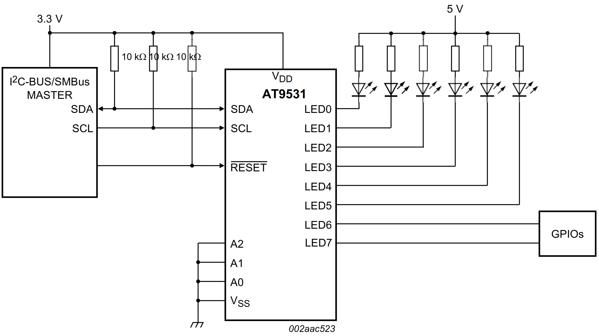
    AT9531是一个8位I2C总线和SMBus I/O扩展器,针对256个离散步长对LED进行调光而优化,适用于红/绿/蓝(RGB)混色和背光应用。AT9531包含一个内部振荡器,该振荡器具有两个用户可编程的闪烁速率和占空比,并耦合至输出PWM。通过将闪烁频率设置得足够高(> 100 Hz)以使其看不到闪烁,然后使用占空比来改变LED点亮的时间,从而改变通过LED的平均电流,来控制LED的亮度。初始设置序列为每个单独的PWM编程两个闪烁速率/占空比。从那时起,只需要总线主控发出一个命令即可打开,关闭,闪烁速率1或闪烁速率2。根据编程的频率和占空比,闪烁速率1和闪烁速率2将使LED点亮。会以不同的亮度出现或以1.69秒的时间闪烁。开漏输出直接驱动LED,最大输出灌电流为每位25 mA,每个封装为100 mA。要以大于1.69秒的时间使LED闪烁,总线主控器(MCU,MPU,DSP,芯片组等)必须发送重复的命令来打开和关闭LED,就像使用NXP等常规I/O扩展器时所做的那样。半导体AT8574或AT9554。任何不用于控制LED的位都可以用于通用并行输入/输出(GPIO)扩展,当ACPI电源开关,传感器,按钮,警报监控,风扇需要附加I/O时,这提供了一种简单的解决方案。低电平有效的硬件复位引脚(RESET)和上电复位(POR)将寄存器初始化为默认状态,从而将这些位设置为高电平(LED熄灭)。AT9531上的三个硬件地址引脚允许八个设备在同一总线上运行。

特征

    八个LED驱动器(开,关,以可编程速率闪烁)

    两个可选的,完全可编程的眨眼速率(频率和占空比),介于0.59Hz和152Hz(1.69秒和6.58毫秒)之间

    256级亮度

    未用作LED驱动器的输入/输出可用作常规GPIO

    内部振荡器不需要外部组件

    与SMBus兼容的I2C总线接口逻辑

    内部上电复位

    SCL / SDA输入上的噪声滤波器

    低电平有效复位输入

    八个漏极开路输出直接将LED驱动至25 mA

    输出边缘速率控制

    上电无故障

    支持热插入

    低待机电流

    工作电源电压范围为2.3 V至5.5 V

    0 Hz至400 kHz时钟频率

框图与典型应用电路

微信图片_20200618143720.png






















微信图片_20200618143939.png






技术支持:万广互联 芯景AnalogTek-CLOCK|RTC|RS232|RS485|LVDS|I2C|多协议收发芯片|马达驱动芯片-武汉芯景科技有限公司WuHan AnalogTek Technology Co., Ltd. 鄂ICP备20005446号-1