AT8854
Part Number Description Vin(min)(V) Vin(max)(V) Status Input Voltage(Type) Topology Iout(Max)(A) LED Current Sense Voltage (mV) Dimming Method Switching Frequency (kHz) Cross Reference Package Pin/Package
AT8854 2.7 5 Sample DC-DC Buck-Boost 1 800 Resistor 1000 LTC3454 DFN10 DFN10

描述

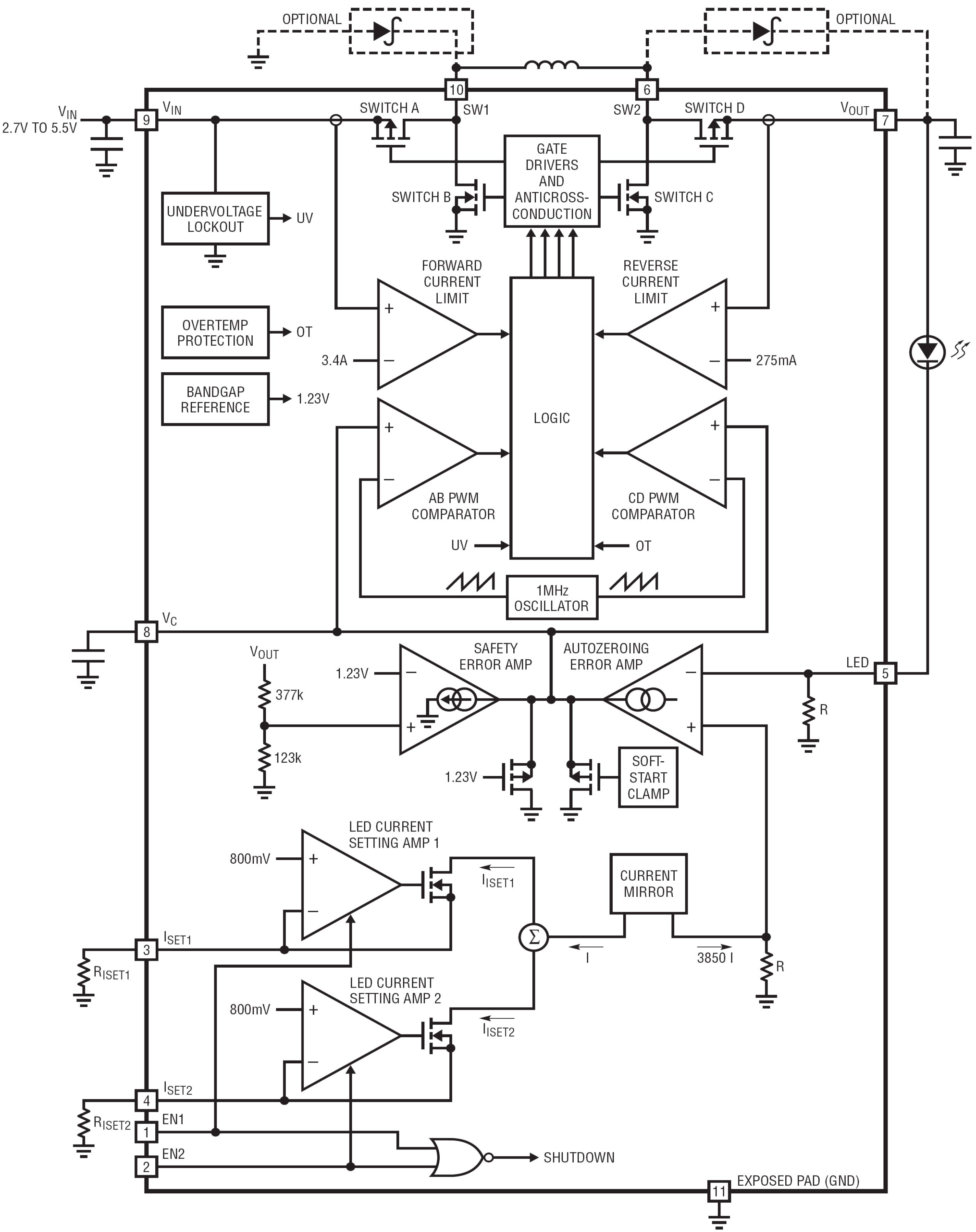
    AT8854是一款同步降压-升压型DC / DC转换器,经过优化,可通过单节锂离子电池输入以高达1A的电流驱动单个大功率LED。调节器工作在同步降压,同步升压或降压-升压模式,具体取决于输入电压和LED正向电压。在锂离子电池的整个可用范围(2.7V至4.2V)中,PLED / PIN效率可达到90%以上。

    通过双外部电阻和双使能输入,可将LED电流编程为包括关断在内的四个电平之一。停机时不会消耗任何电源电流。1MHz的高恒定工作频率允许使用小型外部元件。 AT8854采用扁平(0.75mm)耐热增强型10引线(3mm×3mm)DFN封装。

特征

    高效:在手电筒模式下,典型效率> 90%,在闪光灯模式下> 80%。

    宽VIN范围:2.7V至5.5V

    高达1A的连续输出电流

    3.5%LED电流编程精度

    内部软启动

    开路/短路LED保护

    恒定频率1MHz操作

    零关断电流

    过热保护

    小型耐热增强型10引线(3mm×3mm)DFN封装

应用领域

    手机相机闪光灯

    手机火炬照明

    数码相机

    掌上电脑

    其他Li-lon LED驱动器

典型应用

    高效手电筒/闪光灯LED驱动器

    LED功率效率与VIN的关系

    500mA LED手电筒驱动器

经典电路

微信图片_20200618135704.png

技术支持:万广互联 芯景AnalogTek-CLOCK|RTC|RS232|RS485|LVDS|I2C|多协议收发芯片|马达驱动芯片-武汉芯景科技有限公司WuHan AnalogTek Technology Co., Ltd. 鄂ICP备20005446号-1